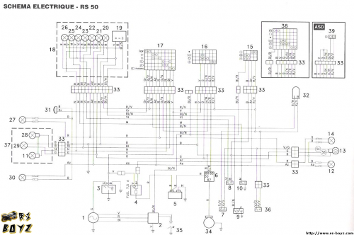
Bonjours , j’ai trouver se shéma électrique pour aprilia rs jusqua 2005 mais il n’est pas légender quelqun peut il m’aidé
tu veux savoir quoi sur ce shéma??
donne une question précise 
Bonjour jaimerais qune personne me legende ce shema .
Citation :
tu veux savoir quoi sur ce shéma??
donne une question précise
tu veux savoir quoi sur ce shéma??
donne une question précise

Il veut juse qu’on legende son schema electrique
Bonjour , je souhaite avoir des conseils pour un shéma simplifié sans lumieres pour derbi avec un allumage rotor
Citation :
[quote author=Rom_gerrun link=topic=172062.msg2393689#msg2393689 date=1312737818]
tu veux savoir quoi sur ce shéma??
donne une question précise
[quote author=Rom_gerrun link=topic=172062.msg2393689#msg2393689 date=1312737818]
tu veux savoir quoi sur ce shéma??
donne une question précise


[/quote]
je pensais qu'il voulait une chose précise
Citation :
Bonjour , je souhaite avoir des conseils pour un shéma simplifié sans lumieres pour derbi avec un allumage rotor
Bonjour , je souhaite avoir des conseils pour un shéma simplifié sans lumieres pour derbi avec un allumage rotor
T'es dans tous les Post's toi, et tu dis toujours la même chose

Arrête un peu..
